| штат: | |
|---|---|
Описание продукта
Морской экран Clear View WS-CR
Введение продукта
Морской экран Clear View WS-CR состоит из трех частей: основной рамы, двигателя и стеклянного диска. Поворотные окна устанавливаются на окне рулевой рубки корабля. Во время работы волны, дождь, снег и град немедленно отбрасываются центробежной силой вращения, чтобы гарантировать, что вода не прилипнет к стеклу и сохранит четкость обзора. Морской экран Clear View Screen может быть оснащен электрическими нагревательными устройствами для растапливания льда и снега при низкой температуре и снеге, чтобы гарантировать, что стеклянный поддон и основная рама окон не замерзнут, не выпадет снег, и надежная работа.

Технологические параметры
| Влажность окружающего воздуха | -25℃~+55℃ |
| Характеристики мощности | 220 В переменного тока, 50 Гц |
| Полупрозрачный диаметр | Тип WS-300CR диаметром 300 мм Тип WS-350CR диаметром 350 мм |
| скорость | ≥1400 об/мин (50 Гц) |
| Энергопотребление Windows | ≤90 Вт |
| Потребляемая мощность электрического нагревателя | ≤250 Вт |
| Уровень защиты | Электродвигатель IP22 |
| масса | ≤12 кг |
| Windows IP55 в рабочем состоянии | |
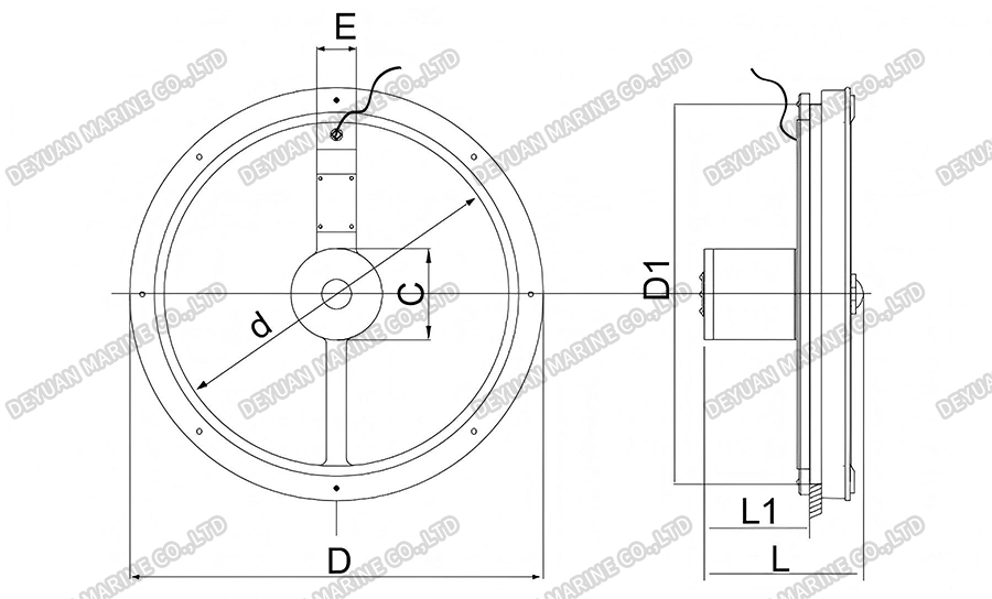
Соответствующие размерные параметры
1. Внешние размеры
| Тип | WS-300CR | WS-350CR |
| Внешний диаметр D | Ø370мм | Ø420мм |
| Диаметр полупрозрачного материала d | Ø300мм | Ø350мм |
| Внешний диаметр двигателя c | Ø93мм | Ø93мм |
| Ширина линии Е | 36 мм | 36 мм |
| Установочный размер D1 | Ø339мм | Ø389мм |
2. Внешние размеры блока управления и установочные размеры.

3. Схема электропроводки

Параметры установки
Оборудование устанавливается на закаленную стеклянную или металлическую стену рулевой рубки судна, диаметр проема d1, минимальное расстояние от кромки окна до прозрачной кромки стекла е, толщина установочной стенки t.
| Тип | WS-300CR | WS-350CR |
| Размеры монтажного отверстия в стене (d1) | Ø341+1мм | Ø391+1мм |
| Расстояние до края монтажного отверстия (e) | ≥50 мм | |
| Толщина монтажной стены (т) | 10,12,15,(19)мм | |
