| штат: | |
|---|---|
Описание продукта
JTY-GD-2151EIS Взрывозащищенный детектор дыма
Введение в продукт
Наш морской взрывозащищенный детектор дыма, разработанный для наиболее опасных морских условий, обеспечивает раннее обнаружение пожара в зонах, где могут присутствовать легковоспламеняющиеся газы, пары или горючая пыль. Это сертифицированное защитное устройство обеспечивает надежную защиту в классифицированных зонах, таких как насосные отделения, шкафы для краски, зоны обращения с топливом и морские платформы, где стандартные детекторы не могут работать безопасно.
Детектор, оснащенный прочным взрывозащищенным корпусом (Ex d) и изготовленным из прочных, устойчивых к коррозии материалов, сконструирован таким образом, чтобы сдерживать любую внутреннюю искру или воспламенение, предотвращая возникновение внешнего взрыва. Он превосходит строгие международные стандарты для применения в морских и опасных зонах, включая сертификаты ATEX, IECEx, SOLAS и классификационных обществ.
Используя передовую, искробезопасную фотоэлектрическую технологию обнаружения, детектор обеспечивает высокочувствительное обнаружение дыма, сохраняя при этом полную электрическую и тепловую безопасность в опасной зоне. Его точная оптическая камера сводит к минимуму ложные срабатывания, вызванные невозгораемыми частицами, обеспечивая надежную работу даже в сложных условиях, таких как высокая влажность или движение воздуха.
Рисунок

Технические данные
| Основная мощность | 220 В переменного тока ± 10% |
| Запасная мощность | 24 В постоянного тока (+30%~-25%) |
| Выходной ток и напряжение | 1А/24В |
| Тактическое энергопотребление | 220 В 100 мА |
| Температура окружающей среды | -10℃~+55℃ |
| Влажность окружающей среды | 95% относительной влажности |
| С мерами против плесени, солевого тумана и влажности. С мерами против вибрации, ударов и наклона. | |
Ключевые особенности
Сертифицированная взрывозащита (Ex d IIC T6 / IP66/IP67)
Устойчивость морского класса к соленой воде, вибрации и экстремальным температурам.
Бесшовная интеграция с обычными и адресными морскими системами пожарной сигнализации.
Визуальная индикация состояния и возможность удаленной диагностики
Простота обслуживания благодаря безопасной конструкции с доступом к инструментам
Сертифицирован для использования в опасных зонах 1 и 2.
Наш взрывозащищенный детектор дыма идеально подходит для танкеров, морских судов и любых судов с обозначенными опасными помещениями и сочетает в себе максимальную безопасность и непоколебимую надежность. Защитите свой экипаж, судно и груз с помощью системы обнаружения опасностей.
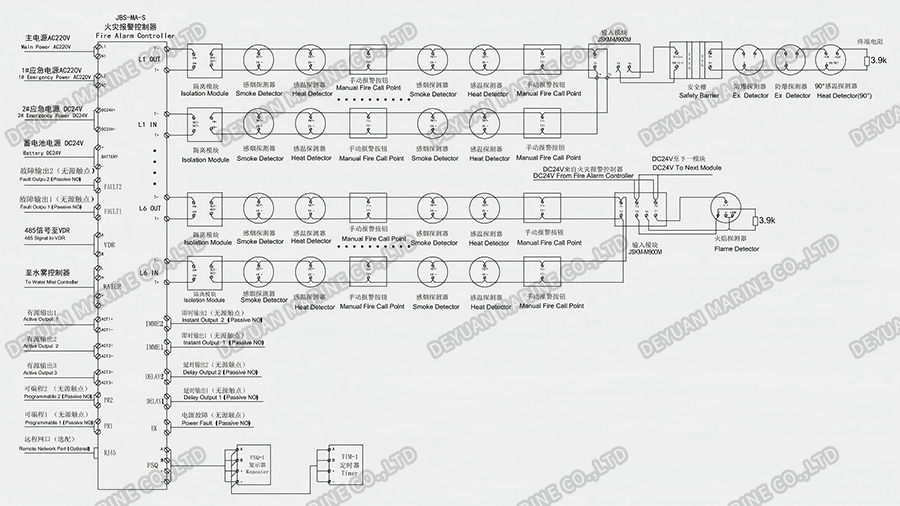
Адресная система пожарной сигнализации
Подключение системы пожарного контроллера Адресный тип
