| штат: | |
|---|---|
Описание продукта
SDS-4C/SDS-8C Настенный коллекторный блок
Введение в продукт
Морской блок сбора — это интеллектуальное ядро отбора и фильтрации современной системы обнаружения дыма для отбора проб (SESDS), разработанное для обеспечения централизованной, надежной и не требующей особого обслуживания защиты критически важных и беспилотных помещений на борту. Выступая в качестве основного интерфейса между сетью аспирационных труб и чувствительной камерой обнаружения, этот блок обеспечивает анализ только чистых, репрезентативных проб воздуха для максимально раннего предупреждения о пожаре.
Изготовленное из прочных, устойчивых к коррозии материалов, соответствующих стандартам основных морских классификационных обществ (таких как DNV, ABS, LR), это устройство рассчитано на 25-летний срок службы в суровых условиях. Его основная функция — непрерывный забор воздуха из нескольких защищенных зон (машинных отделений, грузовых трюмов, машинных помещений) через сеть труб для отбора проб. Устройство включает в себя многоступенчатую систему фильтрации, обычно включающую предварительный фильтр грубой очистки и высокоэффективный фильтр тонкой очистки, который удаляет пыль, масляный туман, влажность и другие загрязнения, которые могут вызвать ложные срабатывания сигнализации или повредить детектор.
Устройство сбора мусора имеет модульную и удобную в обслуживании конструкцию и часто включает в себя аспирационный вентилятор системы и важные датчики мониторинга. Он обеспечивает непрерывную самодиагностику, отслеживая такие параметры, как скорость воздушного потока (для обнаружения повреждений или засоров труб), состояние фильтра и вакуумное давление. Эти данные передаются локально и на главную панель пожарной сигнализации, что позволяет проводить профилактическое обслуживание и обеспечивать целостность системы.
Ключевыми преимуществами этого интегрированного устройства сбора являются максимальное время безотказной работы системы и ее надежность. За счет централизации фильтрации и мониторинга значительно сокращается количество операций обслуживания по сравнению с децентрализованными системами. Он обеспечивает сверхраннее предупреждение о начинающемся пожаре, позволяя использовать чрезвычайно чувствительные лазерные детекторы, защищая ценное имущество и безопасность экипажа. Его конструкция обеспечивает соответствие строгим нормам безопасности (SOLAS, IMO), что делает его незаменимым компонентом для любого судна, для которого приоритетом является повышенная пожарная безопасность.
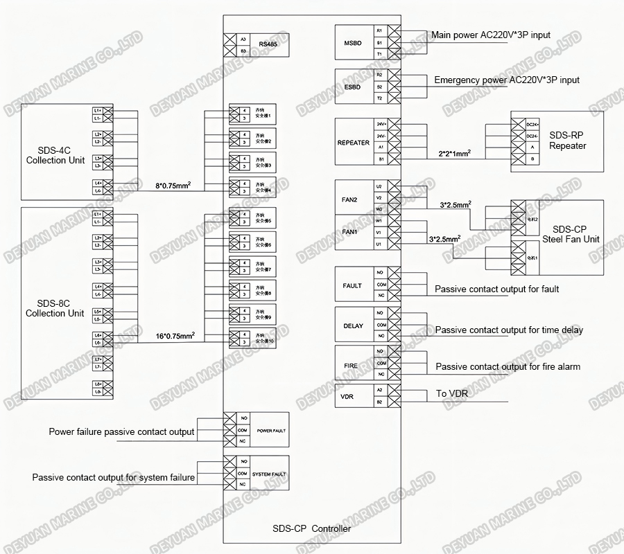
Рисунок

Технические данные
| Основное питание, аварийный источник питания | 220 В переменного тока ± 10%*3P, 50/60 Гц |
| Встроенный аккумулятор | 24 В постоянного тока, 4,5 Ач |
| Потребляемая мощность контроллера | Состояние мониторинга контроллера: ≤5 Вт; состояние тревоги: ≤10 Вт |
| Потребляемая мощность двигателя | 550 Вт |
| Цикл проверки | ≤10 секунд (непрерывное патрулирование в одной точке, когда ситуация ненормальная) |
| Расстояние передачи сигнала между ретранслятором | ≤1500 метров |
| Рабочая температура окружающей среды | 0℃~55℃ |
| Относительная влажность | ≤95% |
Система обнаружения дыма для отбора проб
Схема подключения системы обнаружения дыма для отбора проб
