| штат: | |
|---|---|
Описание продукта
Морская влажная санитарная установка типа Т4
Технические характеристики:
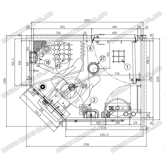
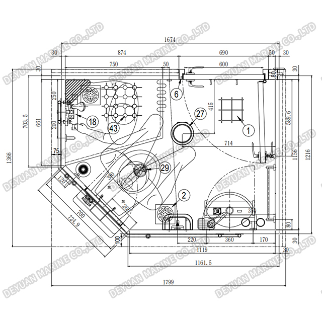
| НЕТ | ЧАСТЬ | ОПИСАНИЕ | СПЕЦИФИКАЦИЯ |
| 1 | ПОЛ | ПОЛ | СТАЛЬНАЯ ПЛАСТИНА ТОЛЩИНОЙ 4,0 ММ ПРИКЛЕИВАЕТСЯ НА НЕСКОЛЬЖАЮЩУЮ КЕРАМИЧЕСКУЮ ПЛИТКУ. |
| 2 | СКАППЕР | МАТЕРИАЛ SUS304,150ммx150мм | |
| 3 | РЕГУЛИРОВОЧНЫЙ БОЛТ | ОЦИНКОВАННЫЙ,М20*60 | |
| 4 | ПАНЕЛЬ | ВНУТРЕННЯЯ СТЕНОВАЯ ПАНЕЛЬ | СТАЛЬНАЯ ПЛАСТИНА С ЛАМИНИРОВАННЫМ ПВХ С МИНЕРАЛЬНОЙ ВАТОЙ С ОЦИНКОВАННОЙ СТАЛЬНОЙ ПЛАСТИНОЙ T=30 мм |
| 5 | ПОТОЛОЧНАЯ ПАНЕЛЬ | СТАЛЬНАЯ ПЛАСТИНА С ЛАМИНИРОВАННЫМ ПВХ С МИНЕРАЛЬНОЙ ВАТОЙ С ОЦИНКОВАННОЙ СТАЛЬНОЙ ПЛАСТИНОЙ T=30 мм | |
| 6 | ДВЕРЬ | ДВЕРНАЯ КОРОБКА | ЗАПЕЧЕННАЯ ЭМАЛЬ НА СТАЛЬНОЙ ПЛАСТИНЕ ТОЛЩИНОЙ 1,5мм 5мм |
| 7 | ДВЕРНОЕ ПОЛОТНО | СТАЛЬНАЯ ПЛАСТИНА С ЛАМИНИРОВАННЫМ ПВХ С МИНЕРАЛЬНОЙ ВАТОЙ С СТАЛЬНОЙ ПЛАСТИНОЙ С ЛАМИНИРОВАННОЙ ПВХ T=38 мм | |
| 8 | ДВЕРНОЙ ЗАМОК | ПОКАЗАТЬ, ЕСЛИ ТУАЛЕТ БЫЛ ХОЛДЕН C-4 | |
| 9 | ДВЕРНАЯ ПЕТЛЯ | НЕРЖАВЕЮЩАЯ СТАЛЬ | |
| 10 | ПРЕДЕЛ РАССТОЯНИЯ ДВЕРИ | НЕРЖАВЕЮЩАЯ СТАЛЬ | |
| 11 | ИХ | ИНСПЕКЦИОННЫЙ ЛЮК | СТАЛЬНАЯ ПЛАСТИНА С ЛАМИНИРОВАННЫМ ПВХ |
| 12 | Туалет | ТУАЛЕТ | НАСТЕННЫЙ.БЕЛЫЙ СТЕКЛОВЫЙ (H-1001) |
| 13 | РЕЗЕРВУАР ДЛЯ ВОДЫ | ПЛАСТИК БЕЛЫЙ,6Л | |
| 14 | ВБ | УМЫВАЛЬНИК | СТЕКЛОВЫЙ КИТАЙ С КЛАПАННЫМ СЛИВОМ (HY-3046) |
| 15 | КРАН | ХРОМИРОВАННАЯ ЛАТУНЬ (ОДНА РУЧКА) С 2 ШЛАНГАМИ | |
| 16 | РЕМЕНЬ | СУС304 | |
| 17 | УГЛОВОЙ КЛАПАН | ХРОМИРОВАННАЯ ЛАТУНЬ | |
| 18 | Ш | ДУШ_СМЕСИТЕЛЬ С ТЕРМОСТАТИЧЕСКИМ | ХРОМИРОВАННАЯ ЛАТУНЬ |
| 19 | ДУШЕВОЙ ПОДЪЕМНИК, ГОЛОВКА И ШЛАНГ | ЖОПА. | |
| 20 | ДУШЕВАЯ ЗАНАВЕСКА | В СБОРЕ АЛЮМИНИЕВАЯ РЕЛЬС, ЗАНАВЕС С ГРУЗОМ | |
| 21 | ТРУБКА | ТРУБА ПОДАЧИ ВОДЫ | ТРУБА φ20 SUS304 С НАРУЖНЫМ ПОКРЫТИЕМ С ТЕПЛОСОХРАНЕНИЕМ |
| 22 | ШАРОВОЙ КРАН | 1/2' МЕДНЫЙ ШАРОВОЙ КРАН 0,6 МПа. С СОЕДИНЕНИЕМ | |
| 23 | ОСУШАТЬ | ТРУБЫ ДЛЯ СЛИВА СЕРЫХ ВОД | ТРУБА ø48x3 SUS304 С РЕЗИНОВОЙ РОЗЕТКОЙ И 2 ЗАЖИМАМИ SUS304 |
| 24 | ТРУБЫ СЛИВА ЧЕРНОЙ ВОДЫ | РЕЗИНОВАЯ РОЗЕТКА Ø89 И 2 ЗАЖИМА SUS304 | |
| 25 | ЭЛЕКТРИЧЕСКИЙ | ЭЛЕКТРИЧЕСКИЙ КАБЕЛЬ | 3*1,5 мм², КДЖПФ96/СК |
| 26 | РАСПРЕДЕЛИТЕЛЬНАЯ КОРОБКА | НЕЙЛОН, С 4 САЛЬНИКАМИ, 250 В×20 А, IP56. | |
| 27 | ПОТОЛОЧНЫЙ СВЕТИЛЬНИК | Светодиод CWTD-6L-A(9Вт),230В переменного тока 9Вт 60Гц IP44 | |
| 28 | ВЫКЛЮЧАТЕЛЬ СВЕТА | ДВОРОВОЕ ОБЕСПЕЧЕНИЕ | |
| 29 | ВЫХЛОП | ВЫПУСКНОЙ КЛАПАН | SUS304, Ø100, ШЛАНГ ИЗ АЛЮМИНИЕВОЙ ФОЛЬГИ И 2 ЗАЖИМА SUS304 |
| 30 | АППАРАТНОЕ ОБЕСПЕЧЕНИЕ | ЗЕРКАЛЬНЫЙ ШКАФ | ЗАПЕЧЕННАЯ ЭМАЛЬ НА СТАЛЬНОЙ ПЛАСТИНЕ,CM382,382×590×111 |
| 31 | ЗЕРКАЛО СВЕТ | ГИДРОИЗОЛЯЦИОННАЯ СВЕТОДИОДНАЯ ЛАМПА, IP44/60Гц/230В/2×4Вт L=382мм | |
| 32 | мыльница | СУС304 | |
| 33 | ОДНОСЛОЙНЫЕ ТРЕУГОЛЬНЫЕ СТЕЛЛАЖИ | СУС304 | |
| 34 | ОДИНОЧНЫЙ ДЕРЖАТЕЛЬ ЧАШКИ | SUS304&СТЕКЛЯННАЯ ЧАШКА | |
| 35 | ДЕРЖАТЕЛЬ БУМАГИ | ХРОМИРОВАННАЯ ЛАТУНЬ/НЕРЖАВЕЮЩАЯ СТАЛЬ | |
| 36 | ПОГРУЗЧИК | СУС304,Д=300мм | |
| 37 | ПОЛОТЕНЦЕ БАР | СУС304,Д=400мм | |
| 38 | КРЮЧОК ДЛЯ ПАЛЬТО | СУС304 | |
| 39 | ВЫДВИЖНАЯ ВЕРВКА ДЛЯ ОДЕЖДЫ | SUS304+ВЕРЕВКА | |
| 40 | БАНКА ДЛЯ МУСОРА | НЕРЖАВЕЮЩАЯ СТАЛЬ 304 230×140×250, XPCP-250-00 | |
| 41 | ТУАЛЕТНАЯ ЩЕТКА | ЖОПА. | |
| 42 | МАТ | РЕЗИНА |
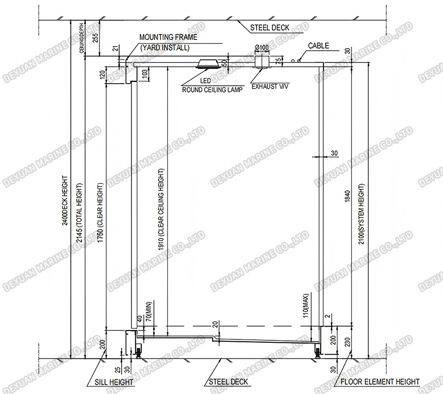
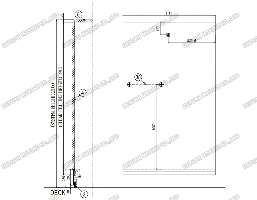
Основное измерение высоты:

Вид изнутри влажного блока:


Вид снаружи мокрого блока:

