| штат: | |
|---|---|
Описание продукта
Перетаскивающая головка для земснаряда с прицепным бункером
Введение продукта
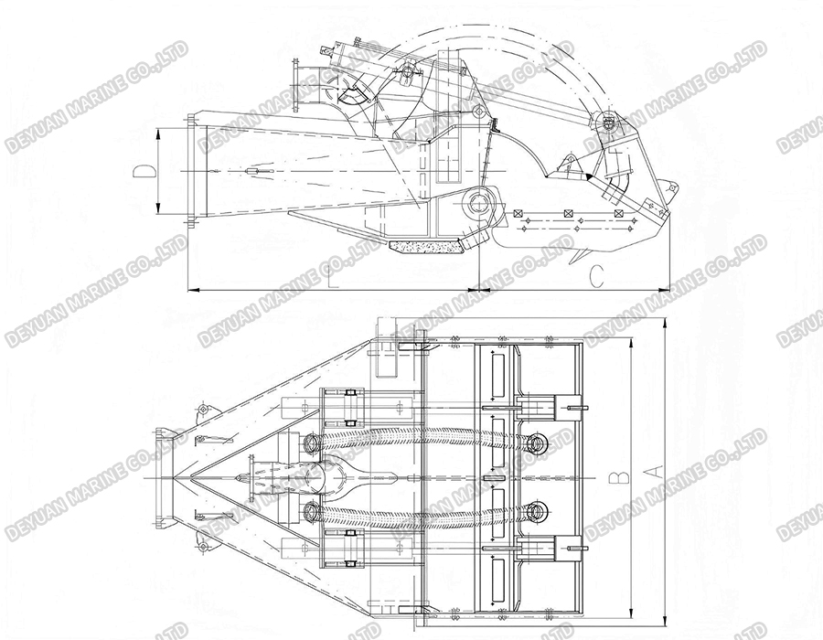
Головка драги представляет собой стальную конструкцию, соединенную с земснарядом всасывающей трубой. Поддерживаемые порталами и с помощью гидравлических лебедок, тягач земснаряда и всасывающая труба опускаются на морское дно для всасывания смеси воды и песка.
Перетаскивающая головка включает в себя фиксированный корпус и козырек, фиксированный корпус соединяется с всасывающей трубой, а козырек соединяется с неподвижным корпусом посредством вращающихся шарнирных точек. Козырек может поворачиваться за точки шарниров относительно неподвижного корпуса на угол 0-50°. Козырек приводится в движение стержнем или гидравлическим цилиндром, чтобы гарантировать, что козырек остается в контакте с морским дном независимо от всасывающих труб под разными углами и разной глубины копания.
Для разрезания морского дна буксирная головка земснаряда оснащена сменными зубьями и водометными насадками. Насадки расположены в передней части драги и используются для вертикальной резки песка на морском дне, а сменные зубья расположены сзади для горизонтальной резки.
Тяговая головка способствует снижению расхода топлива за счет низкого сопротивления лобовому сопротивлению и высокой производительности за счет эффективного смешивания навозной жижи, песка, глины и камней с водой в максимально возможном соотношении.
Рисунок

Ключевые особенности включают в себя
*Универсальные конфигурации типов для любых условий почвы: наши тяговые головки доступны в нескольких стандартных типах, чтобы соответствовать конкретным требованиям проекта. Универсальные тягачи обеспечивают баланс возможностей земляных работ и гидравлической эффективности для различных типов грунтов. Погружные головки калифорнийского типа специально разработаны с прочными рыхлящими зубьями и ножами для проникновения в уплотненный и прочно слежавшийся грунт. Перекачивающие головки с турбулентным козырьком превосходно работают на мягких, сыпучих почвах, оптимизируя перемешивание и повышая концентрацию навозной жижи. Для специализированных применений инновационные конструкции, такие как тяговая головка Вентури, уменьшают сопротивление всасыванию для большей эффективности всасывания, а тяговая головка Mighty Dragon оптимизирована для работы с трудными материалами, такими как глина, без засорения.
*Модульная система козырьков для максимальной гибкости: наши тяговые головки имеют модульную конструкцию, при которой основной корпус может быть оснащен различными типами козырьков. Это позволяет легко переоборудовать одну и ту же буксирную головку для различных условий почвы путем простой замены козырька, что устраняет необходимость в совершенно новой буксирной головке. Положение козырька может регулироваться самостоятельно под действием силы тяжести или активно контролироваться, что обеспечивает оптимальный контакт с морским дном и точную регулировку открытия водяной заслонки для контроля соотношения воды и почвы.
*Усовершенствованная технология земляных работ: почва разрыхляется с помощью комбинации прочных, износостойких режущих зубьев, стратегически расположенных по ширине козырька, и систем струйной воды под высоким давлением. Зубья доступны в различных конфигурациях, включая самозатачивающиеся наконечники для работы с камнями и твердыми материалами. Форсунки струйной воды, расположенные в сменных стальных балках, разжижают почву для улучшения водозабора и могут быть оптимизированы для конкретных типов почвы на основе расширенного анализа CFD.
* Превосходная износостойкость и долговечность: все критические зоны износа, включая козырек, основание и реактивные стержни, изготовлены из высокопрочной морской стали и защищены легко заменяемыми изнашиваемыми деталями из высокохромистого железа или биметаллических сплавов. Эта надежная защита значительно продлевает срок службы, сокращает время простоя при обслуживании и снижает общую стоимость кубического метра.
*Инновационный контроль и автоматизация: современные тяговые головки могут быть интегрированы с передовыми системами управления. Полностью автоматизированные решения с использованием Model Predictive Control оптимизируют процесс земляных работ за счет автоматической регулировки положения козырька в зависимости от условий в реальном времени, максимизируя производительность при минимизации расхода топлива и силы прицепа. Опции включают в себя активные козырьки с гидравлическим управлением для точной регулировки или инновационные пассивные системы, в которых козырек управляется посредством силы на подъемном тросе.
* Экологические соображения: усовершенствованная конструкция тяговой головки включает в себя функции, позволяющие минимизировать воздействие на окружающую среду. Для проектов с ограничениями по переливу можно интегрировать системы рециркуляции, направляя воду низкой концентрации из бункера обратно в тягач, чтобы уменьшить забор воды из окружающей среды и отсрочить перелив, тем самым увеличивая полезную нагрузку без увеличения мутности.
Сочетая прочную механическую конструкцию, передовые гидравлические принципы и интеллектуальную технологию управления, наши драги обеспечивают максимальную эффективность земляных работ, превосходную плотность навоза и непревзойденную надежность в любых условиях дноуглубительных работ.

