| штат: | |
|---|---|
Описание продукта
YK-D,II Блок колесной арки для моторной телеграфной системы
Введение в продукт
Блок управления рулевой рубкой морской пехоты служит центральным командным пунктом и основным человеко-машинным интерфейсом на современных мостиках судов. Эта интегрированная система объединяет важные функции навигации, движения и мониторинга в единую, эргономически оптимизированную консоль, что позволяет офицерам управлять судном безопасно, эффективно и с повышенной ситуационной осведомленностью.
Разработанное для суровых морских условий, устройство имеет прочный, устойчивый к коррозии корпус со степенью защиты IP66 или выше, обеспечивающий надежную работу в условиях солевого тумана, вибрации, влаги и экстремальных температур. Его модульная конструкция включает в себя дисплеи высокой яркости, читаемые при солнечном свете, которые одновременно отображают в реальном времени данные от ECDIS, радара, систем управления, рулевого управления, двигательной установки и управления питанием. Интуитивное расположение сенсорных панелей, программируемых кнопок и специальных физических элементов управления — для рулевого управления, подруливающего устройства и телеграфных функций — обеспечивает быструю и точную работу даже в условиях высокой нагрузки.
Помимо устойчивости оборудования, устройство превосходно справляется с цифровой интеграцией. Он функционирует как центр агрегации и распределения данных, легко подключаясь к бортовым сетям (NMEA 2000/0183, Ethernet, CAN-шина) и сторонним системам через стандартизированные протоколы. Такая централизация снижает рабочую нагрузку оператора, сводит к минимуму риск человеческой ошибки и поддерживает интеллектуальное принятие решений с помощью таких функций, как управление сигналами тревоги, регистрация данных и диагностика системы. Блок управления рулевой рубкой, подходящий как для новых построек, так и для проектов модернизации, представляет собой масштабируемое, перспективное решение, необходимое для создания оптимизированного, автоматизированного и соответствующего требованиям мостика в эпоху цифровой навигации.
Рисунок

Технические данные
| Источник питания | 220 В переменного тока±10%, 24 В постоянного тока (+30%~-25%) |
| Температура окружающей среды | -10~50℃ |
| Относительная влажность | |
| Контактная емкость | 250 В переменного тока/1 А или 30 В постоянного тока/3 А |
| Выход тревоги | Пассивный контакт |
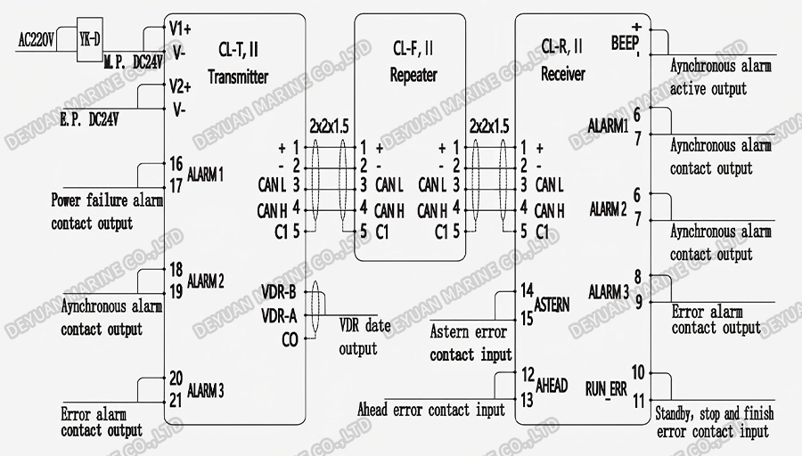
Двигательная телеграфная система1
Схема подключения телеграфной системы двигателя1
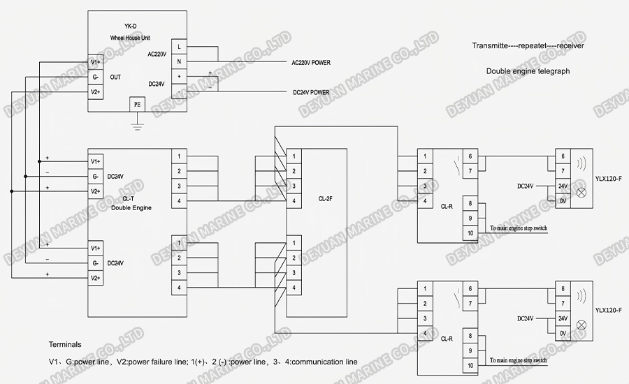
Двигательная телеграфная система 2
Схема подключения системы моторного телеграфа 2
