| штат: | |
|---|---|
Описание продукта
Серия морских кранов JZ2-H с трехфазным асинхронным двигателем
Введение продукта
Морской кран серии JZ2-H с трехфазным асинхронным двигателем, для конструкции «беличья клетка». Применяется на судне при кратковременной и прерывистой работе электропривода, такого как лебедка, лебедки, лебедки и другое палубное оборудование.
Условия окружающей среды
Высота: 0 м
Максимально допустимая температура окружающей среды: +45℃.
Относительная влажность: ≤95%
Оказывать воздействие ударов и вибрации при нормальной эксплуатации судна.
Плесень, соляной туман и конденсат
Вращение: 土22,5°
Крен: 15°
Наклон: 22,5°.
Технические данные
| Скорость (об/мин) | Режим работы | Тормоз | Вес (кг) | |||
| 380 В 50 Гц | С3% | С2 мин. | Расстояние тормозного усилия (Нм) | Напряжение всасывания, В Потребляемый ток (А) | Поддерживать напряжение (В) Поддерживать ток (А) | |
| 1400 | 25 | 一 | 24.8 | 128/1.19 | 128/1.19 | 66 |
| 1400 | 24.8 | 128/1.19 | 128/1.19 | 66 | ||
| 1400 | 24.8 | 128/1.19 | 128/1.19 | 74 | ||
| 1400 | 54.8 | 128/1,78 | 128/1,78 | 100 | ||
| 900 | 54.8 | 128/1,78 | 128/1,78 | 100 | ||
| 900 | 54.8 | 128/1,78 | 128/1,78 | 105 | ||
| 900 | 119.6 | 128/2.05 | 128/2.05 | 150 | ||
| 900 | 119.6 | 128/2.05 | 128/2.05 | 180 | ||
| 900 | 232.5 | 110/9 | 30/2,45 | 365 | ||
| 695 | 232.5 | 110/9 | 30/2,45 | 340 | ||
| 1350/410 | 一 | 30/10 | 40 | 110/1,6 | 30/0,85 | 112 |
| 1350/410 | 40 | 110/1,6 | 30/0,85 | 120 | ||
| 1350/390 | 119.6 | 110/4,5 | 30/1.23 | 185 | ||
| 1370/310 | 119.6 | 110/4,5 | 30/1.23 | 210 | ||
| 1370/310 | 30/5 | 119.6 | 110/4,5 | 30/1.23 | 210 | |
| 1370/320 | 232.5 | 110/9 | 30/2,45 | 365 | ||
| 1370/320 | 30.10.05 | 232.5 | 110/9 | 30/2,45 | 415 | |
| 1400/665/300 | 232.5 | 110/9 | 30/2,45 | 365 | ||
| 1400/665/300 | 232.5 | 110/9 | 30/2,45 | 415 | ||
| 1400/665/300 | 510.6 | 110/9 | 30/2,46 | 505 | ||
| 1400/665/300 | 510.6 | 110/9 | 30/2,46 | 575 | ||
| 1390/660/300 | 676 | 110/10.47 | 30/2,86 | 850 | ||
| 1390/660/300 | 889 | 110/18.25 | 30/4,98 | 1205 | ||
| 1390/660/300 | 1350 | 110/18.25 | 30/4,98 | 1485 | ||
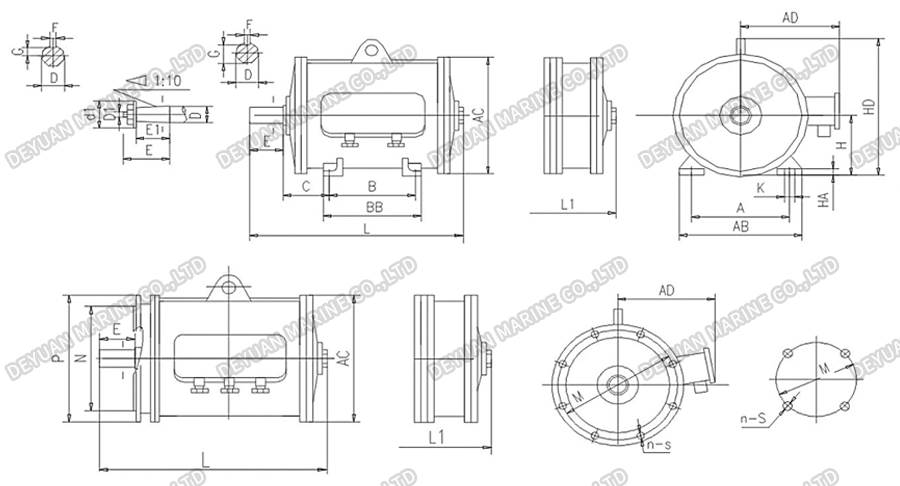
Монтажные и габаритные размеры

| РамкаНет | Модель №. | Допуск на установочный размер | Габаритные размеры | ||||||||||||||||||||||||
| A | B | C | D | E | F | G | H | K | M | N | P | S | n | Форма осевой глубины | Д1 | Е1 | d1 | ХА | АБ | переменного тока | ОБЪЯВЛЕНИЕ | BB | HD | L | Л1 | ||
| 1# | JZ₂-11、12-4-H | 190 | 140 | 85 | 28 | 60 | 8 | 24 | 112 | 14 | 265 | 230 | 300 | 15 | 4 | Цилиндрический | 16 | 220 | 250 | 190 | 180 | 275 | 410 | 485 | |||
| JZ₂-13-4-H | 170 | 210 | 440 | 515 | |||||||||||||||||||||||
| 2# | JZ₂-21-4、6-H | 220 | 150 | 90 | 32 | 80 | 10 | 27 | 125 | 14 | 265 | 230 | 300 | 20 | 260 | 280 | 195 | 190 | 295 | 410 | 530 | ||||||
| JZ₂-22-6、4/12-H | 200 | 240 | 460 | 580 | |||||||||||||||||||||||
| JZ₂-23-4/12-H | 270 | 310 | 530 | 650 | |||||||||||||||||||||||
| 3# | JZ₂-31-6-H | 250 | 200 | 100 | 42 | 110 | 12 | 37 | 150 | 18 | 300 | 250 | 350 | 19 | 25 | 300 | 320 | 235 | 250 | 345 | 560 | 650 | |||||
| JZ₂-32-6、4/12-H | 280 | 330 | 640 | 730 | |||||||||||||||||||||||
| JZ₂-33-4/12、4/16-H | 380 | 430 | 740 | 830 | |||||||||||||||||||||||
| 4# | JZ2-41-6, 8, 4/16, 4/8/16-H | 320 | 305 | 120 | 50 | 110 | 16 | 43.5 | 200 | 26 | 400 | 350 | 450 | 8 | 380 | 420 | 295 | 375 | 470 | 700 | 820 | ||||||
| JZ₂42-4/16、4/8/16-H | 380 | 450 | 770 | 895 | |||||||||||||||||||||||
| 5# | JZ₂-51-4/8/16-H | 360 | 360 | 140 | 60 | 140 | 18 | 52.9 | 225 | 500 | 450 | 550 | 430 | 450 | 325 | 460 | 510 | 840 | 990 | ||||||||
| JZ₂-52-4/8/16-H | 460 | 560 | 940 | 1090 | |||||||||||||||||||||||
| 6# | ДЖЗ2-61-4/8/16-Х | 420 | 440 | 160 | 70 | 140 | 20 | 26 | 250 | 32 | 500 | 450 | 550 | Конический | М48×2 | 105 | 90 | 30 | 510 | 550 | 380 | 550 | 575 | 950 | 1130 | ||
| 7# | JZ₂-71-4/8/16-H | 480 | 510 | 190 | 90 | 170 | 25 | 35 | 280 | 600 | 550 | 660 | 24 | М60×3 | 130 | 110 | 560 | 620 | 410 | 620 | 600 | 1020 | 1255 | ||||
| JZ₂-72-4/8/16-H | 660 | 770 | 1090 | 1535 | |||||||||||||||||||||||