Содержание пуста!
Просмотры:102 Автор:ДЭЮАНЬ 041 Время публикации: 2026-01-12 Происхождение:Работает
В условиях бурного развития мировой морской транспортной отрасли безопасность мореплавания нефтяных танкеров и танкеров-химовозов всегда была в центре внимания отрасли. Баланс давлений, предотвращение пожаров и взрывов, а также безопасный сброс токсичных паров в грузовых нефтяных танках напрямую связаны с безопасностью мореплавания судов, защитой жизни экипажа и морской экологической средой. ДЭЮАНЬ МОРСКАЯ КО., ЛТД. Компания, активно занимающаяся разработкой морского защитного оборудования, выпускает морской высокоскоростной предохранительный клапан (клапан давления/вакуума), который строго соответствует международным отраслевым стандартам. Благодаря своей стабильной и надежной работе он стал основным вспомогательным продуктом для систем вентиляции нефтяных танкеров и танкеров-химовозов, создавая прочный барьер безопасности для морской транспортной отрасли.

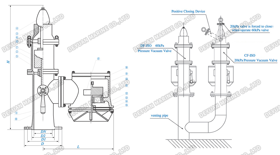
Размерный параметр высокоскоростного предохранительного клапана DF
| Серийный номер | DN | Д1 | D | L | H | nd |
| 8 | 250 | 350 | 395 | 460 | 860 | 12-φ22 |
| 7 | 200 | 295 | 340 | 460 | 860 | 8-φ22 |
| 6 | 150 | 225 | 265 | 390 | 680 | 8-φ18 |
| 5 | 125 | 200 | 240 | 340 | 665 | 8-φ18 |
| 4 | 100 | 170 | 210 | 290 | 565 | 4-φ18 |
| 3 | 80 | 150 | 190 | 290 | 545 | 4-φ18 |
| 2 | 65 | 130 | 160 | 250 | 490 | 4-φ14 |
| 1 | 50 | 110 | 140 | 250 | 490 | 4-φ14 |
Примечания : Исполнительные стандарты фланцев: GB2501-89, DN50-DN150, номинальное давление 0,6 МПа, DN200, DN250, номинальное давление 1,6 МПа.
Основные преимущества продукта
1. Выдающиеся показатели безопасности, комплексное снижение рисков
Эта серия высокоскоростных предохранительных клапанов точно контролирует баланс давления в грузовых нефтяных танках. Когда давление внутри резервуара достигает установленного значения открытия (обычно 14 кПа для обычных нефтяных танкеров и 20 кПа для танкеров-химовозов), клапан открывается автоматически, выпуская сжатую газовую смесь с высокой скоростью, превышающей 30 м/с. Во время разгрузки внутри танка образуется вакуум, и когда он достигает определенного заданного значения, воздух плавно поступает через пламегаситель, эффективно предотвращая деформацию грузового нефтяного танка из-за избыточного давления или разрушение из-за пониженного давления. Клапан оснащен двухслойным пламезащитным экраном из материала 316L, который строго блокирует попадание пламени в грузовой нефтяной танк, минимизирует риски пожара и взрыва у источника, предотвращает утечку токсичных паров груза, защищая как безопасность персонала, так и морскую среду.
2. Превосходная структурная конструкция, стабильная и безаварийная работа.
Благодаря инновационной конструкции уплотнительной конструкции клапан в закрытом состоянии находится в плотно закрытом состоянии, что полностью решает распространенную проблему вибраций традиционных клапанов. Он гарантирует отсутствие утечек газовой смеси внутри резервуара во время плавания судна, что делает его оптимальным выбором, особенно для перевозки нефти и летучих химикатов. Шток клапана плавно поднимается и опускается в зависимости от давления в системе, работая как пневматический компонент без удара при полном подъеме даже при максимально допустимом рабочем давлении системы. Он работает стабильно на протяжении всего процесса повышения и падения давления, снижая износ компонентов и продлевая срок службы изделия. Основные компоненты изготовлены из высококачественных материалов, таких как нержавеющая сталь 304 и нержавеющая сталь 316L, которые обладают коррозионной стойкостью и износостойкостью, что позволяет адаптироваться к суровым морским условиям эксплуатации.
3. Широкая сфера применения, гибкий и удобный выбор.
Продукт предлагает полный спектр спецификаций, включая различные номинальные диаметры от DN50 до DN250, включая чисто гравитационный тип, гравитационный плюс магнитный тип, а также модели с нагревательными устройствами и дегазационными крышками, чтобы удовлетворить индивидуальные потребности различных судов и транспортных средств. Для перевозки специальных грузов, таких как оксид пропилена, специальный высокоскоростной предохранительный клапан типа DF-ISO-60 представляет собой индивидуальное решение, образуя дополнительную страховку с клапанами, подходящими для обычной транспортировки химических веществ. Все модели поддерживают стандартизированное фланцевое соединение, и установка может быть завершена только путем привинчивания фланца каждого клапана к соответствующему фланцу соответствующей вентиляционной трубы грузового нефтяного бака. Разборка, очистка и обслуживание удобны и эффективны, что значительно снижает затраты на эксплуатацию и техническое обслуживание судна.
4. Соответствие международным стандартам, полный контроль качества.
Изделие строго спроектировано, изготовлено и испытано в соответствии с международными правилами и циркулярами, такими как ISO 15364 «Суда и морская техника – клапаны давления/вакуума для грузовых танков», IMO MSC/Circ.677 и MSC/Circ.1009. Каждый продукт проходит полный комплекс проверок, включая испытания на погрузку и разгрузку с имитацией кабины, испытания на работу под давлением, испытания на коррозионную стойкость и антифриз, с приложением подробного отчета об испытаниях, обеспечивающего 100% квалификацию поставляемой продукции. Продукт совместим со вспомогательным оборудованием, таким как морские азотные системы и различные конструкции судовых систем вентиляции, и имеет сертификаты авторитетного классификационного общества. Его качество и производительность получили широкое признание судовладельцев и судостроительных институтов по всему миру.
DEYUAN MARINE всегда придерживалась миссии «обеспечения безопасности морских перевозок», уделяя особое внимание оптимизации производительности и повышению качества оборудования для обеспечения безопасности на море. Благодаря своим основным преимуществам безопасности, надежности, стабильности и эффективности, морской высокоскоростной предохранительный клапан стал надежным выбором в мировой сфере морских перевозок. В будущем DEYUAN MARINE продолжит углублять свое присутствие на сегментированном рынке, предоставляя продукты и услуги, более соответствующие потребностям отрасли, чтобы способствовать безопасному, экологичному и эффективному развитию мировой индустрии морских перевозок. Для получения подробной информации о продукте или по вопросам сотрудничества, пожалуйста, свяжитесь с нами. Мы предоставим вам профессиональные решения.